轮式编码器产品特点:
1、轮子型具有探测构造,适用于移动物体的距离和速度的测定
2、探测距离的输出波形是国际图形(米制,英制)单位的整数倍比例
3、电源:5VDC 、12~24VDC ±5%
4、广泛应用于包装机械、修理机械、生产机械、纺织机械等一般产业专用机械
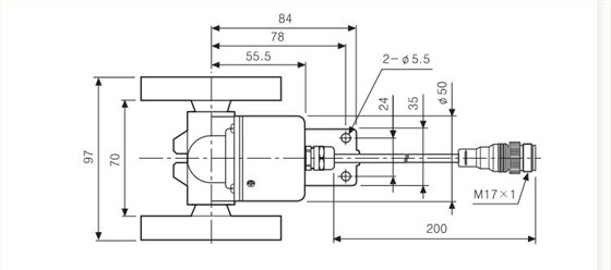
轮式编码器尺寸如下:

10多年生产厂家专注工业数显表


轮式编码器产品特点:
1、轮子型具有探测构造,适用于移动物体的距离和速度的测定
2、探测距离的输出波形是国际图形(米制,英制)单位的整数倍比例
3、电源:5VDC 、12~24VDC ±5%
4、广泛应用于包装机械、修理机械、生产机械、纺织机械等一般产业专用机械
轮式编码器尺寸如下: